شرکت الکتریک Zhejiang Sehnaider ، Ltd.
شرکت الکتریک Zhejiang Sehnaider ، Ltd.
محصولات
ترانسفورماتور فعلی BH-0.66-60
  • ترانسفورماتور فعلی BH-0.66-60ترانسفورماتور فعلی BH-0.66-60

ترانسفورماتور فعلی BH-0.66-60

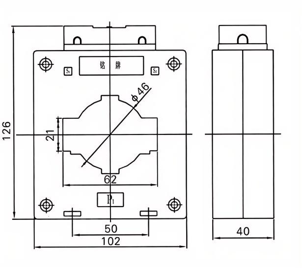
ترانسفورماتورهای فعلی BH -0.66-60 ، مواد شعله ای - مهارکننده و مواد مغناطیسی - را به تصویب می رساند و یک هسته توروئیدی آنیل برای اطمینان از صحت محصول در سطح 0.2 و 0.5 است. برای سطح فوق العاده - دقت بالا مانند 0.2s و 0.5s ، فقط آهنرباهای ابررسانا می توانند چنین الزامات دقت را برآورده کنند.

ترانسفورماتورهای فعلی BH-0.66-60 برای سیستم های قدرت با فرکانس دارای امتیاز 50Hz و ولتاژ دارای 0.66kV ، 0.69kV ، 0.5kV و زیر برای اندازه گیری انرژی الکتریکی ، اندازه گیری جریان و محافظت از رله قابل استفاده است.


این ترانسفورماتور فعلی Dahu برای مصارف داخلی است که در داخل کابینت ها و جعبه های توزیع نصب شده است. این برنامه دارای یک طراحی مدار مغناطیسی جدید ، روش های پیشرفته جبران خسارت ، تکنیک های پردازش نفیس ، عملکرد ایمن و قابل اعتماد و ظاهری کوچک و زیبا است.


پوسته بیرونی از شعله با استحکام بالا - رایانه ای عقب مانده با یک ساختار کاملاً محصور و یک شعله - درجه حرارت V1 ساخته شده است. هسته داخلی از ورق های فولادی سیلیکون با کیفیت بالا ساخته شده است. قطر سیم با توجه به چگالی جریان اقتصادی به شدت انتخاب می شود تا از افزایش دما کمتر اطمینان حاصل شود. با تجهیزات تست پیشرفته و قابل اعتماد ، رعایت استانداردهای کیفیت را تضمین می کند.


این نوع دارای انواع سوراخ مربع و گرد ، مناسب برای نفوذ کابل ریشه یا چندگانه - ریشه یا نفوذ یکدواره ریشه ای است. این مجموعه دارای یک سری محصولات کامل ، طیف گسترده ای از مشخصات و دامنه کاربرد گسترده ای است.


برنامه

نظارت و اندازه گیری انرژی

محافظت از مدار و هماهنگی رله

اتوماسیون صنعتی و سیستم های شبکه هوشمند

مشخصات فنی

ولتاژ دارای امتیاز: 0.66kV

فرکانس: 50/60 هرتز

کلاس دقت: 0.5 ، 1.0 (قابل تنظیم)

سطح عایق: 3 کیلو ولت در دقیقه


پارامترهای فنی اصلی

دارای امتیاز اولیه
جریان (الف)
دقت
کلاس
ترکیب
دارای امتیاز ثانویه (VA) جریان حرارتی 1S (KA) جریان دینامیکی دارای امتیاز (KA)
0.2 (ها) 0.2 0.5 10p10
5-40 0.2/10p10
0.5/10p10
/ 10 10 15 90lin 220lin
5-40 100lin 250lin
5-40 20 50
5-40
5-40 36 90
10
5-40 45 100
5-40 56 100
5-40
5-40 80 110
5-40 100 110


تگ های داغ: ترانسفورماتور فعلی BH-0.66-60
ارسال استعلام
اطلاعات تماس
اگر در مورد نقل قول یا همکاری پرس و جو دارید ، لطفاً به ما ایمیل بزنید و از طریق River@dahuelec.com به ما ایمیل بزنید یا از فرم استعلام زیر استفاده کنید. نماینده فروش ما ظرف 24 ساعت با شما تماس خواهد گرفت. از علاقه شما به محصولات ما متشکرم
X
ما از کوکی ها استفاده می کنیم تا تجربه مرور بهتری به شما ارائه دهیم، ترافیک سایت را تجزیه و تحلیل کنیم و محتوا را شخصی سازی کنیم. با استفاده از این سایت، شما با استفاده ما از کوکی ها موافقت می کنید. سیاست حفظ حریم خصوصی
رد کردن قبول کنید