شرکت الکتریک Zhejiang Sehnaider ، Ltd.
شرکت الکتریک Zhejiang Sehnaider ، Ltd.
محصولات
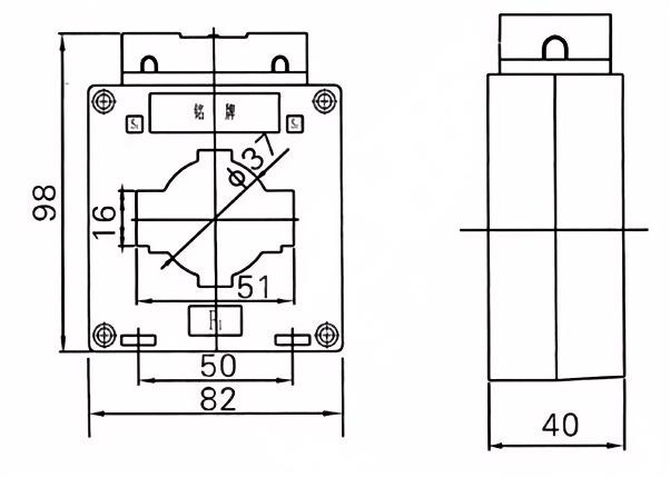
ترانسفورماتور فعلی BH-0.66-50
  • ترانسفورماتور فعلی BH-0.66-50ترانسفورماتور فعلی BH-0.66-50

ترانسفورماتور فعلی BH-0.66-50

ترانسفورماتورهای فعلی BH-0.66-50 ابزارهای دقیق هستند که برای اندازه گیری دقیق و نظارت بر جریان های الکتریکی در کاربردهای مختلف صنعتی طراحی شده اند. این ترانسفورماتورها با داشتن جریان دارای امتیاز 50a و نسبت تحول 0.66 ، قابلیت اندازه گیری جریان قابل اعتماد و دقیق را ارائه می دهند.

ترانسفورماتور جریان رزین اپوکسی داخلی یا ترانسفورماتور جریان پلاستیکی داخلی

• تک فاز ، دو فاز یا سه فاز.

• ولتاژ دارای امتیاز: 0.66kV

• کلاس اندازه گیری برای CT: 0.2S ، 0.2،0.5 ، 0.5s

• استاندارد: IEC61869-2

• نام نوع: BH-0.66-50

این ترانسفورماتور جریان از نوع خشک داخلی در 0.66kV ، 0.75kV ولت استفاده می شود. سیستم قدرت ، برای اندازه گیری و محافظت.

از آن در ایستگاه های تعویض مکعب یا در ایستگاه های سوئیچینگ نصب شده استفاده شده است.

ترانسفورماتور جریان BH-0.66-50 از رزین اپوکسی داخلی با درجه حرارت بالا ، هسته آلیاژ آمورف برای اندازه گیری و کیفیت بالا در داخل هسته برای محافظت ، استفاده اولیه و ثانویه از مس خالص الکترولیتی ساخته شده است.


برنامه ها:

سیستم های توزیع برق

سیستم های مدیریت انرژی

نظارت بر تجهیزات صنعتی

سیستم های انرژی تجدید پذیر


1. مواد پریمیوم

هسته های درجه بالا: هسته های فولادی سیلیکون یا نانوکریستالی با دقت برای حداقل تلفات و خطی بالا.  

عایق قوی: طرح های رزین اپوکسی ثبات طولانی مدت در محیط های سخت را تضمین می کند.  


2. عملکرد برتر

دقت: کلاس 0.2/0.5 برای اندازه گیری ، 5p/10p برای محافظت ، مطابق با استانداردهای IEC 61869 ، 60044 ، IEEE و ANSI.  

دامنه گسترده: از سیستم های 0.6KV-36KV پشتیبانی می کند ، با نسبت/فرکانس سفارشی (50/60 هرتز).  

افزایش حرارتی کم: طراحی بهینه شده باعث کاهش گرمای بیش از حد و طول عمر می شود.  

مصونیت EMC: سپر در برابر تداخل الکترومغناطیسی برای سیگنال های قابل اعتماد.  


3. خدمات و پشتیبانی

راه حل های سفارشی: نسبت های متناسب ، اندازه ها یا اتصالات (به عنوان مثال ، DIN Rail ، پایانه های IEC).  

گواهینامه های جهانی: IEC ، CE ، ISO و مصوبات شبکه محلی.  

کمک های فنی مادام العمر: پشتیبانی 24/7 ، راهنمایی نصب و تأمین قطعات یدکی.  

تحویل سریع: محصولات استاندارد در 2-4 هفته ؛ گزینه های تسریع شده برای نیازهای فوری.  


پارامترهای فنی اصلی

دارای امتیاز اولیه
جریان (الف)
دقت
کلاس
ترکیب
دارای امتیاز ثانویه (VA) جریان حرارتی 1S (KA) جریان دینامیکی دارای امتیاز (KA)
0.2 (ها) 0.2 0.5 10p10
5-40 0.2/10p10
0.5/10p10
/ 10 10 15 90lin 220lin
5-40 100lin 250lin
5-40 20 50
5-40
5-40 36 90
10
5-40 45 100
5-40 56 100
5-40
5-40 80 110
5-40 100 110




تگ های داغ: ترانسفورماتور فعلی BH-0.66-50
ارسال استعلام
اطلاعات تماس
اگر در مورد نقل قول یا همکاری پرس و جو دارید ، لطفاً به ما ایمیل بزنید و از طریق River@dahuelec.com به ما ایمیل بزنید یا از فرم استعلام زیر استفاده کنید. نماینده فروش ما ظرف 24 ساعت با شما تماس خواهد گرفت. از علاقه شما به محصولات ما متشکرم
X
ما از کوکی ها استفاده می کنیم تا تجربه مرور بهتری به شما ارائه دهیم، ترافیک سایت را تجزیه و تحلیل کنیم و محتوا را شخصی سازی کنیم. با استفاده از این سایت، شما با استفاده ما از کوکی ها موافقت می کنید. سیاست حفظ حریم خصوصی
رد کردن قبول کنید