به عنوان یکی از تولید کنندگان حرفه ای ، Sehnaider Electric دوست دارد جعبه تماس با سری CH3 با کیفیت بالا را برای شما فراهم کند. و ما بهترین خدمات پس از فروش و تحویل به موقع را به شما ارائه خواهیم داد. جعبه تماس توسط رزین اپوکسی با تکنیک های ژل سازی فشار APG (ریخته گری) تشکیل شده است ، از آن برای جداسازی عایق و انتقال اتصال کابینت سوئیچ نوع دستی مختلف استفاده می شود.
1. محصول مواد رزین اپوکسی را تصویب می کند
2. سطح بالایی از عایق ، شدت و ثبات را بدست می آورد.
3. این مشخصات مختلف را بر اساس اندازه جریان الکتریکی برای انتخاب کاربر ارائه می دهد
4. جعبه تماس توسط اپوکسی با فناوری APG تشکیل شده است
محیط کار عادی
ارتفاع 1: ≤1000 متر
2. دمای محیط در دمای -30 درجه سانتیگراد تا +40 درجه سانتیگراد ، دمای متوسط روزانه نباید بیش از 30 درجه سانتیگراد باشد.
میانگین روزانه رطوبت نسبی کمتر از 95 ٪ ، میانگین ماهانه کمتر از 90 ٪ است.
4. محیط کار باید بدون بخار ، گاز ، رسوب خورنده شیمیایی ، مه نمکی ، گرد و غبار ، خاک و سایر رسانه های انفجاری خطرناک باشد که به شدت بر عایق و هدایت محصولات تأثیر می گذارد.
5. محیط کار نباید ارتعاش منظم یا برجستگی های جدی باشد.
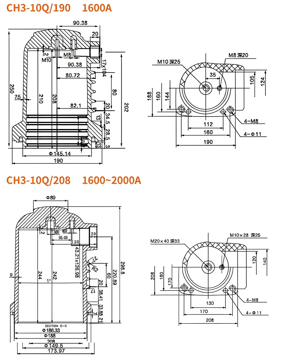
| نام مدل: | CH3-12/190 با Bok تماس بگیرید |
| برند: | اوینوند |
| نوع: | جعبه تماس |
| برنامه: | ولتاژ/سوئیچ بالا |
| رنگ | قهوه ای ، قرمز |
| صدور گواهینامه محصول: | CE و ISO 9001: 2000 |
| ولتاژ دارای امتیاز: | 12 کیلو ولت |
| جریان فعلی: | 1250-1600A |
| MOQ: | 10 عدد |
| بسته بندی: | 1. هر یک با FIM پلاستیکی پیچیده شده است 2. بسته بندی شده در کارتن ها 3. کارتها در یک جعبه چوبی مهر و موم شده اند 4- پرونده ها با شرط بندی های آهن به طور غیرقانونی محدود می شوند |
| درگاه بارگیری: | بندر شانگهای/درگاه نینگبو |
| شرایط پرداخت: | L/C ، T/T ، Western Union |
| زمان تحویل: | در طی 15 روز ، به quannity سفارش بستگی دارد |
| اضافی: | 1.oem خوش آمدید 2.. 3. قیمت مناسب 4. در انواع طرح ها و مشخصات |


نشانی
منطقه صنعتی Xiangyang ، Yueqing ، Zhejiang ، چین
تلفن
پست الکترونیک